Seat Leon >> Identification
Allocation of PR number - brakes
The type of brake system installed in the vehicle is indicated amongst other things by the corresponding PR number on the vehicle data sticker.
The vehicle data sticker can be found in the spare wheel well and in the service booklet.
- Correspondence - Electronic parts catalogue .
- The following table explains the PR numbers. These are important for the brake caliper/brake disc and brake pads.
- To find information about the rear brake, please search in ELSA/ Vehicle-specific notes.
In this example, the rear brake "1KD" is installed in the vehicle.

Safety instructions
Safety precautions when using testers and measuring instruments during a road test
Risk of injuries due to unsecured test and measuring equipment
| DANGER! If a front passenger airbag is triggered during an accident, insufficiently secured test and measuring equipment can become dangerous projectiles.
|
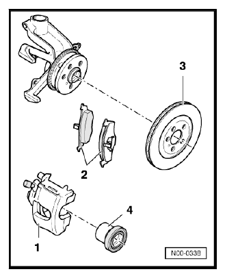
Technical data for brakes
Front brakes

Front brake FS III:


Front brakes FN III:

Front brake Brembo:

Rear brakes

Rear brake CI 38:


Rear brakes PC 38 and CII 41:


Rear brakes FNc-M38 (15"):

Technical data
...
Brake testing
General instructions
The drive is provided by the test rig.
During the test the gearbox must be in neutral on manual
gearboxes or in position N on automatic gearboxes.
Follow the instruction ...
See also:
Other stowage areas
Other stowage areas can be found:
• in the centre console,
• in the side trims of the luggage compartment,
The hooks for hanging are found on the pillar between the front and rear side
windows ...
